

显微组织(microstructure)是将用适当方法(如侵蚀)处理后的金属试样的磨面或其复型或用适当方法制成的薄膜置于光学显微镜显微组织或电子显微镜下观察到的组织。
金属显微组织检测步骤包含试样制备、试样研磨、试样的侵蚀、显微组织检验、显微照相及试验记录。
在金相显微镜或电子显微镜下看到的钢和铸铁中由基本组成单元构成的聚合体。用金相显微镜观察时试样表面应磨平抛光,并用适宜的侵蚀剂稍加侵蚀。用电子显微镜观察时,需要进行更加复杂的试样准备工作。金相显微镜最高放大倍数可达2500倍,电子显微镜可放大几十万倍(见光学金相检验)。

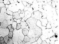
钢和铸铁都是在铁中加入碳和其他合金元素形成的合金,其中,含碳量为0.77%的钢称为共析钢;含碳量低于0.77%的钢称为亚共析钢;含碳量为0.77~2.11%的钢称为过共析钢;含碳量高于2.11%的称为铸铁。不同含碳量和合金成分的钢或铸铁,其显微组织各不相同。同一成分的钢或铸铁,经过不同的金属热处理后也具有不同的显微组织(图1)。不同的显微组织具有不同的性能,因此钢铁可以通过热处理获得不同的性能。钢铁显微组织分析是研究钢铁和评定钢铁制品质量的重要手段。
显微组织试验方法及标准
试验方法 | 项目名 | 试验标准 |
显微组织 | 高碳铬轴承钢金相 | GB/T 18254-200 GB/T 18579-2001 |
高温合金 | GB/T 14999.3-1994 | |
变形铝及铝合金制品 | GB/T 3246.1 GB/T 3216.2-2000 | |
变形镁及镁合金制品 | GB/T 4296-2004 | |
铜及铜合金制品 | YS/T 449-2002 | |
显微组织评定 | 游离渗碳体组织分析 | GB/T 13299-1991 GB/T 13298-1991 |
低碳变形钢的珠光体组织分析 | ||
带状组织分析 | ||
魏氏组织分析 |
测试案例
|
|
|
|




